2022-08-15
歐姆龍繼電器中的“愛馬仕”非G7L莫屬,因為它兼具高容量,高耐壓,抗瞬間電壓下降性能較強的功率繼電器:
l 在額定電壓的50%以下即使發生瞬間電壓下降,也不會導致接點震顫。
l 用1個線圈可以覆蓋AC110V系列的AC100-120V,50/60Hz及AC220V系列的AC200-240V 50/60Hz,實現了寬范圍線圈。
l 所有絕緣體材料采用符合UL94V-0的阻燃材料。
l 多安裝方式有螺釘端子,印刷基板用端子,表面連接插座等種類
l 通過UL,CSA,TUV認證,IEC950標準認證
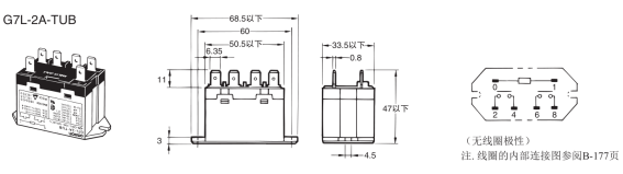
l 接點間隔為3mm的安全設計
G7L系列性能參數:

歐姆龍繼電器G7L系列適用于場景:
l 一體式空調壓縮機及加熱器的開關控制
l 電動工具及各種馬達的開關控制
l 各種干燥機,熱水器的功率控制
l 復印機,FAX等OA設備的燈控,馬達驅動,電源
l 照明燈,包裝機,食品加工設備的功率控制
l 微波爐的磁控管控
l 不間斷電源(UPS)

廣州鼎悅電子科技有限公司,專業代理歐姆龍開關、繼電器、傳感器、連接器等電子元器件產品,作為歐姆龍全國一級代理商,我們將一如既往竭誠為您提供一流的服務,若有需要技術支持或需求,請隨時與我們聯系!
點擊咨詢
電話咨詢
QQ咨詢
微信咨詢
回到頂部