2017-08-24
通信行業用的繼電器經過近些年的技術發展將在今后繼續增長,占到全球繼電器市場的四分之一,在電信領域、無線通信、寬帶輸送接入等大環境需求的推動下,已成為機電式繼電器更新換代的新平臺和下一代通信技術加速完善的助推器。
通信領域中發展最快、應用最廣的就是無線通信技術。而無線通信 技術又有著集成化、低功耗、易操作的發展趨勢。目前一些只由微控制器和高頻繼電器構成的無線通信模塊不斷推出這種微功率短距離無線數據傳輸技術在工業、民用等領域得到應用廣泛。高頻繼電器的技術作為現今時代最有發展前景的信息技術之一已經得到業界的高度重視。該技術利用射頻方式進行非接觸雙向通信可以自動識別目標對象并獲取相關數據具有精度高、適應環境能力強、抗干擾強、操作快捷等許多優點。
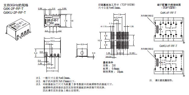
以此無線通信、無線傳輸等行業僅需體積更小,適用于表面裝貼的1GHz/3GHz頻段小型2極高頻繼電器,額定消耗電力100mW的高靈敏度,高可靠性,搞干擾性能優良的高頻繼電器如圖所示:
例如歐姆龍高頻繼電器的尺寸大小更符合通信行業應用:如下圖

目前市場需求越來越大,未來通訊行業發展所需用的新型通信繼電器將成為其發展方向。通信繼電器技術已日漸成熟,并在移動通信的展開,為其提供良好的市場前景。
點擊咨詢
電話咨詢
QQ咨詢
微信咨詢
回到頂部